Performance
- Robust Structure
- Highly specialized drive and hydraulic system ensure excellent driving.
- Low-noise and durable hydraulic unit, high quality cylinder as well as hose ensure high reliability of hydraulic system.
- AMP connector and durable electric wires greatly reduce malfunctions of components.

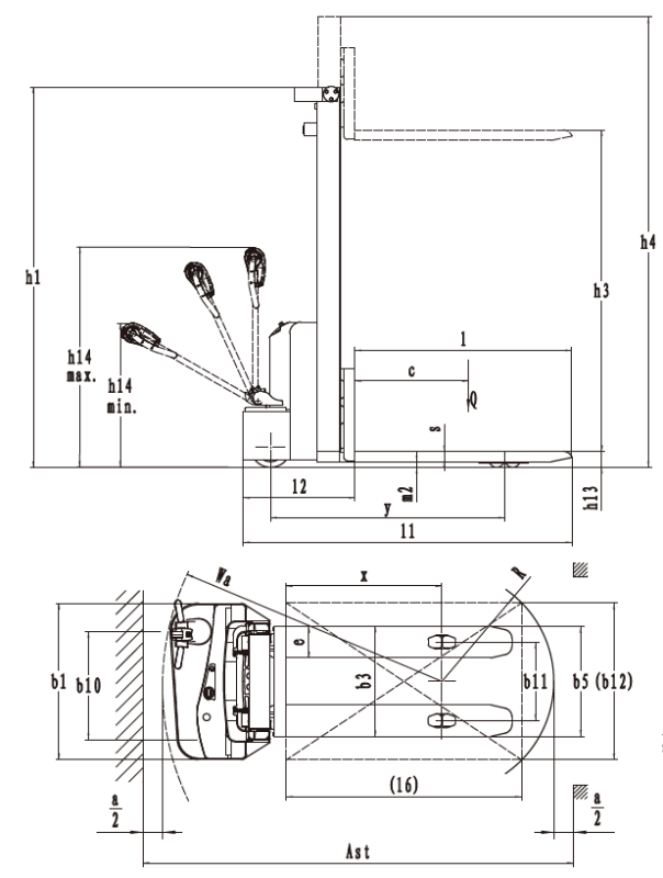
Specifications:
| Distinguishing mark | ||
|---|---|---|
| Drive unit | Electric | |
| Type of operation | Pedestrian | |
| Rated Capacity | kg | 1000kg |
| Load Center Distance | mm | 600 |
| Load Distance | mm | 795 (center of drive axle to fork) |
| Wheelbase | mm | 1221 |
| Weight | ||
| Service Weight | kg | 540 (include battery) |
| Axe Loading | kg | 640/852 (laden driving side/loading side) |
| Axe Loading | kg | 419/121 (unladen driving side/loading side) |
| Types, Chassis | ||
| Tyre Type | PU/PU (Driving/Loading Wheels) | |
| Tyre Size | mm | 210 dia x 70 W (driving Wheels) |
| Tyre Size | mm | 80 dia x 60 W (loading Wheels) |
| Track width | b10 mm | 533 (Front Driving Side) |
| Track width | b11 mm | 400 (Rear Loading Side) |
| Dimensions | ||
| Tilt of mast | Degree | n/a |
| Height, Mast Lowered | h1 mm | 2026 |
| Free Lift | h2 mm | n/a |
| Lift Height | h3 mm | 2930 |
| Height, Mast Extended | h4 mm | 3491 |
| Height, Drawbar in driving position | h14 mm | 860 (min), 1200 (max) |
| Height of wheel arms | h8 mm | n/a |
| Lowered Height | h13 mm | 88 |
| Overall Height | i1 mm | 1740 |
| Length to face of forks | i2 mm | 590 |
| Overall width | b1 mm | 800 |
| Fork Dimensions | s/e/i mm | 55/160/1150 |
| Fork Carriage width | b3 mm | 600 |
| Distance between fork arms | b5 mm | 560 |
| Ground Clearance | m1 mm | n/a (Laden, Below mast) |
| Ground Clearance | m2 mm | 30 (Center of wheelbase) |
| Aisle width for pallets | mm | 2225 (1000×1200 crossways) |
| Aisle width for pallets | mm | 2150 (800×1200 lengthways) |
| Turning Radius | Wa mm | 1388 |
| Performance Data | ||
| Travel Speed | km/h | 3.5 / 4.0 (laden/unladen) |
| Lifting Speed | m/s | 0.12 / 0.22 (laden/unladen) |
| Lowering Speed | m/s | 0.12 / 0.11 (laden/unladen) |
| Max.gradeability | % | 3.0 / 10.0 (laden/unladen) |
| Service brake type | Electromagnetic | |
| Electric-Engine | ||
| Drive motor rating | kW | 0.65 (S2 60 min) |
| Lift motor rating | kW | 2.2 (at S3 15%) |
| The max allowed size battery | mm | 325 / 180 / 230 |
| Battery Voltage | V/Ah | 2 x 12/85 (nominal Capacity K20) |
| Battery Weight | Kg | 2 x 30 |
| Addition data | ||
| Type of drive unit | AC | |
| Steering Type | Mechanicalc | |
| Sound pressure level | 69 | |

Mast Options:

Options:




















